深圳市康華爾電子有限公司:晶振廠家企業在國內壓電石英晶振行業生產經營二十多年,早期產品基本用于出口,在 2006年轉向國內市場銷售,公司在05年自購土地新建工業園,全線投入貼片晶振自動化生產領域,公司主要生產:石英晶振,貼片晶振, 音叉晶體,32.768K晶振,聲表面諧振器,聲表面濾波器,陶瓷晶振,貼片晶振.并且自主研發生產,陶瓷霧化片,微孔霧化片.公司用于國內外多家知名企業的晶振廠家合作供應,并且與日本幾大進口晶振品牌簽訂 了代理服務.日本進口晶振品牌有:日本大真空晶振,KDS晶振,愛普生晶振,EPSON crystal,西鐵城晶振,CITIZEN crystal,精工晶振,SEIKO crystal,村田振動子,muRata crystal,石英水晶振子,陶瓷振蕩子等晶振.公司主要客戶群有國內多家智能品牌手機,衛星導航GPS, 電腦周邊等數碼產品。工廠年產貼片晶振、陶瓷晶振、陶瓷濾波器,聲表面濾波器系列產品、上億PCS、60%出口。公司同時從日本、韓國、美國、 引進現代化生產設備、機器人檢測設備、代替人工%60,全系列電腦全自動化檢測設備,生產全過程 在淨化環境下完成;同時公司擁有占員工總數10%的工程技術人員,在于2006年成立研發中心;并用 于自己品牌(KON),公司在2001年通過ISO9002認証并注冊。部分產品已注冊國家專利,建立了 高效完善的質保體系。
聲表面濾波器,SAW濾波器,F11-R315M濾波器,聲表面波諧振器(插腳型,貼片型,射頻用頻道諧振器),聲表面諧振器,聲表面濾波器
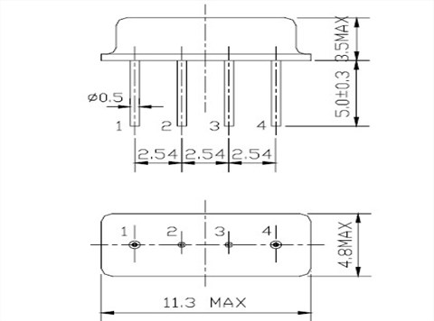
中心頻率從105MHZ---到1000MHZ,封裝形式TO39,F11,D11,D12.聲表面晶振,聲表面諧振器
貼片型SMD的中心頻率從300MHZ---915MHZ,GPS濾波器,電子狗濾波器,聲表面諧振器,聲表面晶振
聲表面波濾波器具有工作頻率高、通頻帶寬、選頻特性好、體積小和重量輕等特點,并且可采用與集成電路相同的生產工藝,制造簡單,成本低,頻率特性的一致性好,因此廣泛應用于 各種電子設備中.在聲表面波濾波器中,信號經過電-聲-電的兩次轉換,由于基片的壓電效應,則叉指換能器具有選頻特性.顯然,兩個叉指換能器的共同作用,使聲表面波濾波器的選頻特性較為理想.
1:機械振動的影響
當濾波器產品上存在任何給定沖擊或受到周期性機械振動時,比如:壓電揚聲器,壓電蜂鳴器,以及喇叭等,輸出頻率和幅度會受到影響.這種現象對通信器材通信質量有影響.盡管晶振產品設計可最小化這種機械振動的影響,我們推薦事先檢查并按照下列安裝指南進行操作.聲表面濾波器,SAW濾波器,F11-R315M濾波器
2:PCB設計指導
(1) 理想情況下,機械蜂鳴器應安裝在一個獨立于石英晶體器件的PCB板上.如果您安裝在同一個PCB板上,最好使用余量或切割PCB.當應用于PCB板本身或PCB板體內部時,機械振動程度有所不同.建議遵照內部板體特性.
(2) 在設計時請參考相應的推薦封裝.
(3) 在使用焊料助焊劑時,按JIS標準(JIS C 60068-2-20/IEC 60,068-2-20).來使用.
(4) 請按JIS標準(JIS Z 3282, Pb 含量 1000ppm, 0.1wt% 或更少)來使用無鉛焊料.
存儲事項
(1) 在更高或更低溫度或高濕度環境下長時間保存晶振時,會影響頻率穩定性或焊接性.請在正常溫度和濕度環境下保存這些石英晶振,聲表面濾波器等產品,并在開封后盡可能進行安裝,以免長期儲藏.
正常溫度和濕度:
溫度:+15°C 至 +35°C,濕度 25 % RH 至 85 % RH(請參閱“測試點JIS C 60068-1 / IEC 60068-1的標準條件”章節內容).
(2) 請仔細處理內外盒與卷帶.外部壓力會導致卷帶受到損壞.


聲表面濾波器,SAW濾波器,TO-39濾波器
聲表面濾波器,TO-39濾波器,R315聲表面濾波器