HE-MCC-120-36.000F-18-E,7050mm,36MHZ,HEC無源晶振,美國進口晶振,四腳貼片晶振,7050晶體諧振器,石英貼片晶振,無源諧振器,SMD晶振,石英晶體,尺寸7.0×5.0mm,頻率36MHZ,負載18pF,工作溫度-40~+85°C,高穩定性晶振,高頻晶振,低損耗晶振,低功耗晶振,高質量晶振,掌上型PDA晶振,以太網卡晶振,硬盤專用晶振,驅動器控制器晶振,測試設備晶振,智能設備晶振,
HE-MCC-120-36.000F-18-E,7050mm,36MHZ,HEC無源晶振特點:
HE-MCC-120系列是一款陶瓷底座表面貼裝SMD晶振最大高度為1.3mm
頻率非常寬范圍為8.00MHz至125.00MHz。
1.3mm最大高度,擴展溫度范圍
行業標準占地面積,寬頻率范圍
良好的耐受性和穩定性,磁帶和卷軸(1000 PC/卷軸)
HE-MCC-120-36.000F-18-E,7050mm,36MHZ,HEC無源晶振 參數表
| ELECTRICAL SPECIFICATIONS / PART NUMBERING GUIDE | |||||||||||||||||||||||||||
| PARAMETERS | CONDITIONS | MINIMUM | STANDARD | MAXIMUM | UNIT | ||||||||||||||||||||||
| FREQUENCY RANGE |
|
36.000 |
|
MHz | |||||||||||||||||||||||
| FREQUENCY TOLERANCE | at 25 °C | -50* | +50* | PPM | |||||||||||||||||||||||
| FREQ. STABILITY (ref. @ 25°C) | 8 MHz to 125 MHz | -50* | +50* | PPM | |||||||||||||||||||||||
| OPERATING TEMPERATURE | -10 °C to +60 °C / -40 °C to +85 °C Optional | °C | |||||||||||||||||||||||||
| STORAGE TEMPERATURE | -30 °C to +85 °C / -55 °C to +125 °C Optional | °C | |||||||||||||||||||||||||
| SHUNT CAPACITANCE (CO) | 5.0 | pF | |||||||||||||||||||||||||
| LOAD CAPACITANCE (CL) | To be specified | 10.0 | 18.0 | pF | |||||||||||||||||||||||
| DRIVE LEVEL | 8.000 - 125.000 MHz | 0.1 | 0.5 | mW | |||||||||||||||||||||||
| AGING CHARACTERISTICS | ± 5 PPM max. @ 25 °C per year | ||||||||||||||||||||||||||
| * Tight tolerances optional - please specify | |||||||||||||||||||||||||||
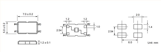
HE-MCC-120-36.000F-18-E,7050mm,36MHZ,HEC無源晶振尺寸圖






愛普生晶振,貼片晶振,FC-135晶振,FC-135R晶振,Q13FC1350000400晶振
精工晶振,32.768K晶振,SSP-T7-F晶振
ELLS-12.000MHz-18-R60-A-4-F-T,AEL品牌晶振,SMD石英晶體
EC3620ETTS-77.760M,Ecliptek時鐘振蕩器,5032mm,藍牙晶振
E1SAA12-30.000M TR,Ecliptek石英晶體諧振器,橢圓形晶振
EH1400SJETTTS-20.000M,Ecliptek陶瓷振蕩器,CMOS輸出晶振
EB2532JA12-12.288M TR,Ecliptek無源晶振,3225mm,汽車級石英晶體
EH2600ETTTS-100.000M,Ecliptek晶振廠家,7050mm,低電壓晶振