86-0755-27838351

頻率:25MHZ
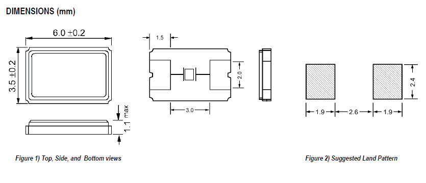
尺寸:6.0*3.5mm
伊西斯無源晶振ECX-64A,ECS-250-18-23A-EN-TR貼片諧振器,ECS晶振,陶瓷晶振,SMD晶振,無源晶體,伊西斯無源晶振,型號ECX-64A,編碼ECS-250-18-23A-EN-TR是一款陶瓷面貼片型的陶瓷諧振器,尺寸為6035mm,頻率25MHZ,負載電容18pF,精度30ppm,工作溫度-40°C ~+85°C采用高超的生產技術結合優異的原料匠心制作而成,產品具備良好的穩定性能,并具有成本效益,非常適合密集的PCB應用.
晶振的真空封裝技術:是指石英晶振在真空封裝區域內進行封裝.1.防止外界氣體進入組件體內受到污染和增加應力的產生;2.使晶振組件在真空下電阻減小;3.氣密性高.此技術為研發及生產超小型、超薄型石英晶振必須攻克的關鍵技術之一.
伊西斯無源晶振ECX-64A,ECS-250-18-23A-EN-TR貼片諧振器,ECS晶振,陶瓷晶振,SMD晶振,無源晶體,伊西斯無源晶振,型號ECX-64A,編碼ECS-250-18-23A-EN-TR是一款陶瓷面貼片型的陶瓷諧振器,尺寸為6035mm,頻率25MHZ,負載電容18pF,精度30ppm,工作溫度-40°C ~+85°C采用高超的生產技術結合優異的原料匠心制作而成,產品具備良好的穩定性能,并具有成本效益,非常適合密集的PCB應用.
ECS-240-18-23A-EN-TR貼片晶振的真空封裝技術:是指石英晶振在真空封裝區域內進行封裝.1.防止外界氣體進入組件體內受到污染和增加應力的產生;2.使晶振組件在真空下電阻減小;3.氣密性高.此技術為研發及生產超小型、超薄型石英晶振必須攻克的關鍵技術之一.伊西斯無源晶振ECX-64A,ECS-250-18-23A-EN-TR貼片諧振器
ECS-250-18-23A-EN-TR晶振 參數表
|
ECS晶振規格 |
單位 |
ECX-64A晶振 |
石英晶振基本條件 |
|
標準頻率 |
f_nom |
25MHZ |
標準頻率 |
|
儲存溫度 |
T_stg |
-55°C ~ +125°C |
裸存 |
|
工作溫度 |
T_use |
-40°C ~ +85°C |
標準溫度 |
|
激勵功率 |
DL |
100μW Max. |
推薦:100μW |
|
頻率公差 |
f_— l |
±30× 10-6 (標準), |
+25°C 對于超出標準的規格說明, |
|
頻率溫度特征 |
f_tem |
±50× 10-6/-20°C ~ +70°C |
超出標準的規格請聯系我們. |
|
負載電容 |
CL |
18PF |
不同負載電容要求,請聯系我們. |
|
串聯電阻(ESR) |
R1 |
如下表所示 |
-40°C — +85°C, DL = 100μW |
|
頻率老化 |
f_age |
±5× 10-6 / year Max. |
+25°C,第一年 |
伊西斯無源晶振ECX-64A,ECS-250-18-23A-EN-TR貼片諧振器 尺寸圖
ECS-250-18-23A-EN-TR晶振 在使用晶振時應注意以下事項:
1:抗沖擊
抗沖擊是指晶振產品可能會在某些條件下受到損壞.例如從桌上跌落,摔打,高空拋壓或在貼裝過程中受到沖擊.如果產品已受過沖擊請勿使用.因為無論何種石英晶振,其內部晶片都是石英晶振制作而成的,高空跌落摔打都會給晶振照成不良影響.
2:輻射
將貼片晶振暴露于輻射環境會導致產品性能受到損害,因此應避免陽光長時間的照射.伊西斯無源晶振ECX-64A,ECS-250-18-23A-EN-TR貼片諧振器
3:化學制劑 / pH值環境
請勿在PH值范圍可能導致腐蝕或溶解石英晶振或包裝材料的環境下使用或儲藏這些產品.
4:粘合劑
請勿使用可能導致石英晶振所用的封裝材料,終端,組件,玻璃材料以及氣相沉積材料等受到腐蝕的膠粘劑.(比如,氯基膠粘劑可能腐蝕一個晶振的金屬“蓋”,從而破壞密封質量,降低性能.)
5:鹵化合物
請勿在鹵素氣體環境下使用晶振.即使少量的鹵素氣體,比如在空氣中的氯氣內或封裝所用金屬部件內,都可能產生腐蝕.同時,請勿使用任何會釋放出鹵素氣體的樹脂.伊西斯無源晶振ECX-64A,ECS-250-18-23A-EN-TR貼片諧振器
6:靜電
過高的靜電可能會損壞進口晶振,請注意抗靜電條件.請為容器和封裝材料選擇導電材料.在處理的時候,請使用電焊槍和無高電壓泄漏的測量電路,并進行接地操作.
| Manufacturer Part Number原廠編碼 | Manufacturer廠家 | Series型號 | Type 系列 | Frequency | Operating Temperature 工作溫度 |
| ECS-143-20-23A-EN-TR | ECS晶振 | ECX-64A | MHz Crystal | 14.31818MHz | -40°C ~ 85°C |
| ECS-143-20-23A-EN-TR | ECS晶振 | ECX-64A | MHz Crystal | 14.31818MHz | -40°C ~ 85°C |
| ECS-143-20-23A-EN-TR | ECS晶振 | ECX-64A | MHz Crystal | 14.31818MHz | -40°C ~ 85°C |
| ECS-250-18-23A-EN-TR | ECS晶振 | ECX-64A | MHz Crystal | 25MHz | -40°C ~ 85°C |
| ECS-250-18-23A-EN-TR | ECS晶振 | ECX-64A | MHz Crystal | 25MHz | -40°C ~ 85°C |
| ECS-250-18-23A-EN-TR | ECS晶振 | ECX-64A | 6035貼片晶振 | 25MHz | -40°C ~ 85°C |
| ECS-240-20-23A-EN-TR | ECS晶振 | ECX-64A | MHz Crystal | 24MHz | -40°C ~ 85°C |
| ECS-240-20-23A-EN-TR | ECS晶振 | ECX-64A | MHz Crystal | 24MHz | -40°C ~ 85°C |
| ECS-240-20-23A-EN-TR | ECS晶振 | ECX-64A | MHz Crystal | 24MHz | -40°C ~ 85°C |
| ECS-147-20-23A-EN-TR | ECS晶振 | ECX-64A | MHz Crystal | 14.7456MHz | -40°C ~ 85°C |
| ECS-147-20-23A-EN-TR | ECS晶振 | ECX-64A | MHz Crystal | 14.7456MHz | -40°C ~ 85°C |
| ECS-147-20-23A-EN-TR | ECS晶振 | ECX-64A | MHz Crystal | 14.7456MHz | -40°C ~ 85°C |
| ECS-240-18-23A-EN-TR | ECS晶振 | ECX-64A | MHz Crystal | 24MHz | -40°C ~ 85°C |
| ECS-240-18-23A-EN-TR | ECS晶振 | ECX-64A | MHz Crystal | 24MHz | -40°C ~ 85°C |
| ECS-240-18-23A-EN-TR | ECS晶振 | ECX-64A | MHz Crystal | 24MHz | -40°C ~ 85°C |
| ECS-160-18-23A-EN-TR | ECS晶振 | ECX-64A | MHz Crystal | 16MHz | -40°C ~ 85°C |
| ECS-160-18-23A-EN-TR | ECS晶振 | ECX-64A | MHz Crystal | 16MHz | -40°C ~ 85°C |
| ECS-160-18-23A-EN-TR | ECS晶振 | ECX-64A | MHz Crystal | 16MHz | -40°C ~ 85°C |
| ECS-200-20-23A-EN-TR | ECS晶振 | ECX-64A | MHz Crystal | 20MHz | -40°C ~ 85°C |
| ECS-200-20-23A-EN-TR | ECS晶振 | ECX-64A | MHz Crystal | 20MHz | -40°C ~ 85°C |
| ECS-200-20-23A-EN-TR | ECS晶振 | ECX-64A | MHz Crystal | 20MHz | -40°C ~ 85°C |
| ECS-120-18-23A-EN-TR | ECS晶振 | ECX-64A | MHz Crystal | 12MHz | -40°C ~ 85°C |
| ECS-120-18-23A-EN-TR | ECS晶振 | ECX-64A | MHz Crystal | 12MHz | -40°C ~ 85°C |
| ECS-120-18-23A-EN-TR | ECS晶振 | ECX-64A | MHz Crystal | 12MHz | -40°C ~ 85°C |



電話:+86-0755-278383514
手機:138-2330-0879
QQ:632862232
地址:廣東深圳市寶安寶安大道東95號浙商銀行大廈1905