86-0755-27838351

頻率:150MHZ
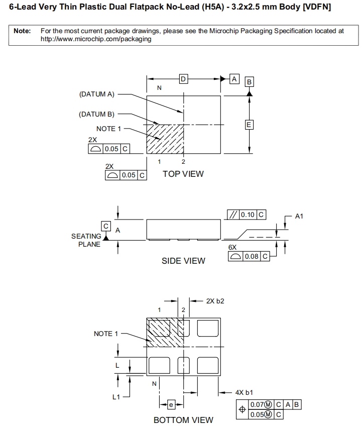
尺寸:3.2x2.5mm
Microchip有源晶振,6G網絡設備晶振,DSC1102CI5-150.0000T,尺寸3.2x2.5mm,頻率150MHZ,輸出邏輯 LVPECL ,電壓 2.25V ~ 3.6V,腳位6-SMD,頻率穩定性10ppm,LVPECL輸出晶振,差分晶體振蕩器,XO時鐘振蕩器,LV-PECL差分晶振,有源貼片晶振,有源晶體振蕩器,六腳貼片晶振,貼片差分晶振,小體積差分晶振,以太網專用差分晶振,低電壓差分晶振,低功耗差分晶振,低抖動差分晶振,低相位差分晶振,低功耗差分晶振,光纖通道差分晶振,具有低抖動低功耗的特點,產品很適合用于存儲區域網絡- SATA、SAS、光纖通道無源光網絡- EPON、10G-EPON、GPON、10G-GPON以太網- 1G、10GBASE-T/KR/LR/SR和FCoEHD/SD/SDI視頻和監視等領域。
DSC1102和DSC1122系列高性能有源晶體振蕩器采用了一種成熟的硅MEMS技術,在廣泛的電源電壓和溫度范圍內提供良好的抖動和穩定性。通過消除對石英或SAW技術的需要,MEMS振蕩器顯著提高了可靠性并加速了產品開發,同時滿足各種通信、存儲和網絡應用程序嚴格的時鐘性能標準。DSC1102具有備用功能,允許在EN銷低時完全斷電;而對于DSC1122,只有EN低時輸出被禁用。這兩種有源晶振都可以在行業標準封裝中使用,包括最小的2.5 mm x 2.0 mm,是標準6針LVPECL石英晶體振蕩器的插入替代品。Microchip有源晶振,6G網絡設備晶振,DSC1102CI5-150.0000T.
Microchip有源晶振,6G網絡設備晶振,DSC1102CI5-150.0000T,尺寸3.2x2.5mm,頻率150MHZ,輸出邏輯 LVPECL ,電壓 2.25V ~ 3.6V,腳位6-SMD,頻率穩定性10ppm,LVPECL輸出晶振,差分晶體振蕩器,XO時鐘振蕩器,LV-PECL差分晶振,有源貼片晶振,有源晶體振蕩器,六腳貼片晶振,貼片差分晶振,小體積差分晶振,以太網專用差分晶振,低電壓差分晶振,低功耗差分晶振,低抖動差分晶振,低相位差分晶振,低功耗差分晶振,光纖通道差分晶振,具有低抖動低功耗的特點,產品很適合用于存儲區域網絡- SATA、SAS、光纖通道無源光網絡- EPON、10G-EPON、GPON、10G-GPON以太網- 1G、10GBASE-T/KR/LR/SR和FCoEHD/SD/SDI視頻和監視等領域。
DSC1102和DSC1122系列高性能有源晶體振蕩器采用了一種成熟的硅MEMS技術,在廣泛的電源電壓和溫度范圍內提供良好的抖動和穩定性。通過消除對石英或SAW技術的需要,MEMS振蕩器顯著提高了可靠性并加速了產品開發,同時滿足各種通信、存儲和網絡應用程序嚴格的時鐘性能標準。DSC1102具有備用功能,允許在EN銷低時完全斷電;而對于DSC1122,只有EN低時輸出被禁用。這兩種有源晶振都可以在行業標準封裝中使用,包括最小的2.5 mm x 2.0 mm,是標準6針LVPECL石英晶體振蕩器的插入替代品。Microchip有源晶振,6G網絡設備晶振,DSC1102CI5-150.0000T.
Microchip有源晶振,6G網絡設備晶振,DSC1102CI5-150.0000T 參數表
有源晶振產品特性:
低RMS相位抖動:<1ps(類型)
高穩定性: ±10 ppm,±20 ppm,±25 ppm,±50 ppm寬溫度范圍- Ext
工業:-40°C至+105°C-工業:-40°C至+85°C-Ext
商業:-20°C+70°C高供應噪聲抑制:-50dBc
寬頻率范圍: 2.3MHz到460MHz小型
行業標準足跡: - 2.5毫米x 2.0毫米x 2.5毫米,3.2毫米x 2.5毫米,5.0毫米x 3.2毫米,7.0毫米x 5.0 mm
優秀的沖擊和振動免疫
合格MIL-STD-883高可靠性
20xMTF比石英振蕩器低電流消耗供應范圍2.25V到3.63V備用和輸出使功能
無鉛和RoHS兼容LVDS和HCSL版本可用
Manufacturer Part Number原廠代碼
Manufacturer品牌
Series型號
Type 類型
Frequency 頻率
Voltage - Supply電壓
DSC1122BI2-156.2500
Microchip Technology
DSC1122
MEMS (Silicon)
156.25MHz
2.25 V ~ 3.6 V
DSC1102BI1-100.0000
Microchip Technology
DSC1102
MEMS (Silicon)
100MHz
2.25 V ~ 3.6 V
DSC1122AI2-150.0000
Microchip Technology
DSC1122
MEMS (Silicon)
150MHz
2.25 V ~ 3.6 V
DSC1001DL5-075.0000
Microchip Technology
DSC1001
MEMS (Silicon)
75MHz
1.7 V ~ 3.6 V
DSC1001DL5-133.3330
Microchip Technology
DSC1001
MEMS (Silicon)
133.333MHz
1.7 V ~ 3.6 V
DSC1101CM1-075.0000
Microchip Technology
DSC1101
MEMS (Silicon)
75MHz
2.25 V ~ 3.6 V
DSC1101CM1-033.3333
Microchip Technology
DSC1101
MEMS (Silicon)
33.3333MHz
2.25 V ~ 3.6 V
DSC1101CM1-005.0000
Microchip Technology
DSC1101
MEMS (Silicon)
5MHz
2.25 V ~ 3.6 V
DSC1001DI5-080.0000
Microchip Technology
DSC1001
MEMS (Silicon)
80MHz
1.7 V ~ 3.6 V
DSC1123CE5-100.0000
Microchip Technology
DSC1123
MEMS (Silicon)
100MHz
2.25 V ~ 3.6 V
DSC1122NI5-025.0020
Microchip Technology
DSC1122
MEMS (Silicon)
25.002MHz
2.25 V ~ 3.6 V
DSC1103DI5-171.8181T
Microchip Technology
DSC1103
MEMS (Silicon)
171.8181MHz
2.25 V ~ 3.6 V
DSC1103DI5-171.8181
Microchip Technology
DSC1103
MEMS (Silicon)
171.8181MHz
2.25 V ~ 3.6 V
DSC1102CI5-150.0000T
Microchip Technology
DSC1102
MEMS (Silicon)
150MHz
2.25 V ~ 3.6 V
DSC1103CI5-224.8200
Microchip Technology
DSC1103
MEMS (Silicon)
224.82MHz
2.25 V ~ 3.6 V
DSC1123AL1-150.0000
Microchip Technology
DSC1123
MEMS (Silicon)
150MHz
2.25 V ~ 3.6 V
DSC1122AI5-025.0020
Microchip Technology
DSC1122
MEMS (Silicon)
25.002MHz
2.25 V ~ 3.6 V
DSC1123BI5-156.2500T
Microchip Technology
DSC1123
MEMS (Silicon)
156.25MHz
2.25 V ~ 3.6 V
DSC1103CL5-106.2500T
Microchip Technology
DSC1103
MEMS (Silicon)
106.25MHz
2.25 V ~ 3.6 V
DSC1124CI1-156.2500TA
Microchip Technology
DSC1124
MEMS (Silicon)
156.25MHz
2.25 V ~ 3.6 V
DSC1103BL5-062.5000
Microchip Technology
DSC1103
MEMS (Silicon)
62.5MHz
2.25 V ~ 3.6 V
MX553BBA312M500
Microchip Technology
MX55
XO (Standard)
312.5MHz
2.375 V ~ 3.63 V
DSC6111CI1A-016.0000
Microchip Technology
DSC6100
MEMS (Silicon)
16MHz
1.71 V ~ 3.63 V
DSC1001CL2-012.0000
Microchip Technology
DSC1001
MEMS (Silicon)
12MHz
1.8 V ~ 3.3 V
DSC1001DI1-050.0000
Microchip Technology
DSC1001
MEMS (Silicon)
50MHz
1.8 V ~ 3.3 V
DSC1001DI1-024.0000
Microchip Technology
DSC1001
MEMS (Silicon)
24MHz
1.8 V ~ 3.3 V
DSC1001DI1-025.0000
Microchip Technology
DSC1001
MEMS (Silicon)
25MHz
1.8 V ~ 3.3 V
DSC1001CI2-033.3300
Microchip Technology
DSC1001
MEMS (Silicon)
33.33MHz
1.8 V ~ 3.3 V
DSC1001DI5-100.0000
Microchip Technology
DSC1001
MEMS (Silicon)
100MHz
1.8 V ~ 3.3 V
DSC1001DL5-025.0000
Microchip Technology
DSC1001
MEMS (Silicon)
25MHz
1.8 V ~ 3.3 V
DSC1001CE2-006.0000
Microchip Technology
DSC1001
MEMS (Silicon)
6MHz
1.8 V ~ 3.3 V
DSC1001CI1-050.0000
Microchip Technology
DSC1001
MEMS (Silicon)
50MHz
1.8 V ~ 3.3 V
DSC1001CI2-012.0000
Microchip Technology
DSC1001
MEMS (Silicon)
12MHz
1.8 V ~ 3.3 V
DSC1001CI2-033.3333
Microchip Technology
DSC1001
MEMS (Silicon)
33.3333MHz
1.8 V ~ 3.3 V
DSC1001CI5-004.9152
Microchip Technology
DSC1001
MEMS (Silicon)
4.9152MHz
1.8 V ~ 3.3 V
DSC1122CI5-200.0000
Microchip Technology
DSC1122
MEMS (Silicon)
200MHz
2.25 V ~ 3.6 V
DSC1001CI1-048.0000
Microchip Technology
DSC1001
MEMS (Silicon)
48MHz
1.8 V ~ 3.3 V
DSC1001CI1-026.0000
Microchip Technology
DSC1001
MEMS (Silicon)
26MHz
1.8 V ~ 3.3 V
DSC1001AI2-050.0000
Microchip進口晶體
DSC1001
MEMS (Silicon)
50MHz
1.8 V ~ 3.3 V
DSC1001AL2-027.0000
Microchip Technology
DSC1001
MEMS (Silicon)
27MHz
1.8 V ~ 3.3 V
DSC6083HE1A-032K800T
Microchip Technology
DSC60XX
MEMS (Silicon)
32.8kHz
1.71 V ~ 3.63 V
DSC6011HI1A-002.5000T
Microchip Technology
DSC60XX
MEMS (Silicon)
2.5MHz
1.71 V ~ 3.63 V
DSC6013HI1A-002.5000T
Microchip Technology
DSC60XX
MEMS (Silicon)
2.5MHz
1.71 V ~ 3.63 V
DSC6083HI2A-002K000T
Microchip Technology
DSC60XX
MEMS (Silicon)
2kHz
1.71 V ~ 3.63 V
DSC6083CI2A-032K768
Microchip Technology
DSC60XX
MEMS (Silicon)
32.768kHz
1.71 V ~ 3.63 V
DSC6001CI2A-016.0000
Microchip Technology
DSC60XX
MEMS (Silicon)
16MHz
1.71 V ~ 3.63 V
DSC6003CI2A-012.0000
Microchip Technology
DSC60XX
MEMS (Silicon)
12MHz
1.8 V ~ 3.3 V
DSC6003CI2A-024.0000
Microchip Technology
DSC60XX
MEMS (Silicon)
24MHz
1.8 V ~ 3.3 V
DSC6003CI2A-016.0000
Microchip Technology
DSC60XX
MEMS (Silicon)
16MHz
1.8 V ~ 3.3 V
DSC6101CI2A-027.0000
Microchip Technology
DSC6100
MEMS (Silicon)
27MHz
1.71 V ~ 3.63 V
DSC6111CI2A-012.0000
Microchip Technology
DSC6100
MEMS (Silicon)
12MHz
1.71 V ~ 3.63 V
DSC6102CI2A-100.0000
Microchip Technology
DSC6100
MEMS (Silicon)
100MHz
1.71 V ~ 3.63 V
DSC6101CI2A-050.0000
Microchip Technology
DSC6100
MEMS (Silicon)
50MHz
1.71 V ~ 3.63 V
DSC6101CI2A-025.0000
Microchip Technology
DSC6100
MEMS (Silicon)
25MHz
1.71 V ~ 3.63 V
DSC6003JI2A-048.0000
Microchip Technology
DSC60XX
MEMS (Silicon)
48MHz
1.71 V ~ 3.63 V
DSC6101JI2A-026.0000
Microchip Technology
DSC6100
MEMS (Silicon)
26MHz
1.71 V ~ 3.63 V
DSC6101JI2A-048.0000
Microchip Technology
DSC6100
MEMS (Silicon)
48MHz
1.71 V ~ 3.63 V



電話:+86-0755-278383514
手機:138-2330-0879
QQ:632862232
地址:廣東深圳市寶安寶安大道東95號浙商銀行大廈1905