Jauch晶振,貼片晶振,JXG53P4晶振,石英進口晶振,我們的基本原則,包括我們的雇員的安全和健康,童工,歧視,公平薪酬,腐敗,賄賂以及環境保護,都在JAUCH集團的行為準則中得到了支持。在良好的商業關系基礎上,我們期望每個參與公司成功的人都能遵守這些行政原則。我們的基本原則,包括我們的雇員的安全和健康,童工,歧視,公平薪酬,腐敗,賄賂以及環境保護,都在JAUCH集團的行為準則中得到了支持。在良好的商業關系基礎上,我們期望每個參與公司成功的人都能遵守這些行政原則。
JAUCH晶振公司環保環境與發展對策:1.努力保護全球環境的環保意識進行石英晶體諧振器環保生產和提供產品以及服務給消費者.2.遵守環境法律、法規、條例、規則、協議、和其他需求,努力降低環境影響,防止污染.3.減少能源消耗,開展資源節約、資源回收和適當的化學管理工廠和辦公室,導致全球變暖的預防和循環型社會的建立.4.與供應商和其他業務伙伴合作,減少溫室氣體的排放,有效利用資源,加強產品化學物質管理.5.參與社區環境保護和生物多樣性保護項目和主動披露信息有關環保措施與社區加強溝通與和諧.
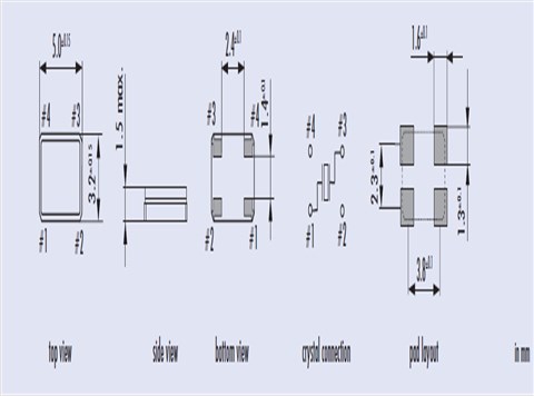
智能手機晶振,產品具有高精度超小型的表面貼片型石英晶體振蕩器,最適用于移動通信終端的基準時鐘等移動通信領域.比如智能手機,無線通信,衛星導航,平臺基站等較高端的數碼產品,晶振本身小型,薄型具備各類移動通信的基準時鐘源用頻率,貼片晶振具有優良的電氣特性,耐環境性能適用于移動通信領域,滿足無鉛焊接的高溫回流溫度曲線要求.Jauch晶振,貼片晶振,JXG53P4晶振,石英進口晶振
石英晶振的研磨技術:通過對晶振切割整形后的晶片進行研磨,使石英晶振的晶片達到(厚度/頻率)的一定范圍。石英晶振晶片厚度與頻率的關系為:在壓電晶體行業,生產晶振頻率的高低是顯示鴻星技術水平的一個方面,通過理論與實際相結合,累積多年的晶振研磨經驗,通過深入細致地完善石英晶振研磨工藝技術,注重貼片晶振研磨過程的各種細節,注重晶振所用精磨研磨設備的選擇;
|
Jauch晶振規格 |
單位 |
JXG53P4晶振 |
石英晶振基本條件 |
|
標準頻率 |
f_nom |
8~60MHZ |
標準頻率 |
|
儲存溫度 |
T_stg |
-40°C~+125°C |
裸存 |
|
工作溫度 |
T_use |
-20°C~+85°C |
標準溫度 |
|
激勵功率 |
DL |
100μW Max. |
推薦:10μW |
|
頻率公差 |
f_— l |
±30,50× 10-6(標準), |
+25°C對于超出標準的規格說明, |
|
頻率溫度特征 |
f_tem |
-0.034,-0.04× 10-6/-40°C~+125°C |
超出標準的規格請聯系我們. |
|
負載電容 |
CL |
12PF |
不同負載電容要求,請聯系我們. |
|
串聯電阻(ESR) |
R1 |
如下表所示 |
-40°C —+85°C,DL = 100μW |
|
頻率老化 |
f_age |
±3× 10-6/ year Max. |
+25°C,第一年 |
我們可以改善的頻率輸出的偏差超過范圍由以下幾個方法:調整外部電容,Cd和CG的值。如果由頻率計數器測量頻率比目標頻率高,要增加外部電容CL(或Cd以及C 8的值),以降低頻率到我們的目標頻率,反之亦然。可以采用不同負載電容(CL)的陶瓷面貼片晶振試用。 試用晶振具有較低電容若頻率比目標頻率超高很多的話。請檢查波形幅度是否是正常或不使用示波器,正確的電容是通過和頻率調節到目標之后。根據該波形振幅收縮,由于增加外部電容,請使用方法2調整頻率(較低的外部電容,并采用低電容的晶體)的情況。頻率輸出頻率的目標只有三分之一。下面的曲線表示晶體的電阻的特征:Jauch晶振,貼片晶振,JXG53P4晶振,石英進口晶振

晶振具有多種振動模式,如基頻, 3次泛音,5次泛音等等。當基頻模式應用時,晶振的電阻是最低的,這意味著它是最簡單的兩腳無源5032諧振器。當第三色調模式被應用,一個放大電路必須被利用以降低基本模式的頻率反饋到所述延伸小于所述第三音調模式。因此,如果頻率是只有三分之一的目標頻率時,要檢查是否放大處理電路被施加或它的設定值就足夠了,因為電路的環境適合于基本模式,而不是第三次泛音調模式。該電路可能不振蕩,如果放大電路不施加或它的設定值是不足夠的。4-3。基頻模式與三次泛音模式應用程序如下:
下表顯示升的匹配值,耐熱性石英晶振頻率輸出是目標頻率的三倍這個問題的可能性相對較小。請確定的三次泛音調模式的頻率反饋是否大于基頻模式,由于放大電路的反饋大。當放大電路內置于芯片組此問題可能會發生。為了解決這個問題,請采用三次泛音模式晶振。此外,放大電路,第三色調模式設計不當也可能導致電路由第五音模式振蕩或不振蕩,系統故障是由于超大輸出波形的幅度。C由各種頻率三次泛音模式.





愛普生晶振,貼片晶振,TG-5032CFN晶振
愛普生晶振,貼片晶振,VG-4231CB晶振
CTS晶振,貼片晶振,445晶振,654L64453C2T晶振
Golledge晶振,貼片晶振,CC2A晶振,石英貼片晶振
Jauch晶振,貼片晶振,JXG53P2晶振,進口貼片晶振
SIWARD晶振,貼片晶振,SX-5032晶振
SMI晶振,貼片晶振,53SMX(B)晶振,石英晶體諧振器
5032mm,DSC1018BI1-125.0000T,125MHz,DSC1018,Microchip振蕩器