86-0755-27838351
頻率:10.000MHz~52.000MHz
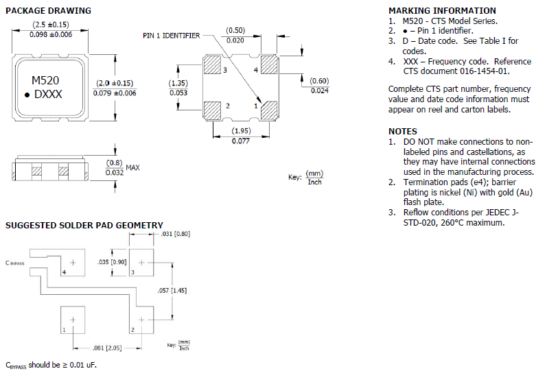
尺寸:2.5*2.0*0.8mm
壓控溫補石英晶振具有最適合于移動通信設備用途的高穩定的頻率溫度特性.為對應低電源電壓的產品.(可對應DC+1.8V±0.1Vto+3.2V±0.1V)高度:最高1.0mm,體積:0.007cm3,重量:0.024g,超小型,輕型.低消耗電流,表面貼片型產品.(可對應回流焊)無鉛產品.滿足無鉛焊接的回流溫度曲線要求.
CTS晶振,壓控溫補振蕩器,520有源晶振.2520mm體積的晶振,可以說是目前小型數碼產品的福音,目前超小型的智能手機里面所應用的就是小型的石英晶振,該產品最適用于無線通訊系統,無線局域網,已實現低相位噪聲,低電壓,低消費電流和高穩定度,超小型,質量輕等產品特點,產品本身編帶包裝方式,可對應自動高速貼片機應用,以及高溫回流焊接(產品無鉛對應),為無鉛產品.
最近,CTS的汽車產品擴展到商用車、越野和重型設備市場,實現了戰略增長的里程碑.CTS晶振開發并推出了強大的智能執行器?為燃料配送管理等應用中,可變葉片渦輪增壓器的控制,為各種大型柴油機管理功能,適合.另外,CTS汽車用品位置傳感器的小型發動機市場(摩托車、沙灘車、舷外發動機等)
石英晶振真空退火技術:晶振高真空退火處理是消除貼片晶振在加工過程中產生的應力及輕微表面缺陷.在PLC控制程序中輸入已設計好的溫度曲線,使真空室溫度跟隨設定曲線對晶體組件進行退火,石英晶振通過合理的真空退火技術可提高晶振主要參數的穩定性,以及提高石英耐高溫晶振的年老化特性.
|
CTS晶振 |
520晶振 |
|
輸出類型 |
Clipped Sine Wave |
|
輸出負載 |
10pF |
|
振蕩模式 |
基本/第三泛音 |
|
電源電壓 |
+1.8V~+2.5V |
|
頻率范圍 |
10.00MHz~52.00MHz |
|
頻率穩定度 |
±0.5ppm~±2.5ppm |
|
工作溫度 |
-40℃~+85℃ |
|
保存溫度 |
-55℃~+125℃ |
|
電壓卷(最大值)/ VOH(最小值) |
0.1 VDD / 0.9 VDD |
|
啟動時間 |
5 ms Max |
|
相位抖動(12兆赫~20兆赫) |
1個PS最大 |
|
老化率 |
±3 ppm /年最大 |
粘合劑
請勿使用可能導致SMD晶振所用的封裝材料,終端,組件,玻璃材料以及氣相沉積材料等受到腐蝕的膠粘劑.(比如,氯基膠粘劑可能腐蝕一個晶體單元的金屬“蓋”,從而破壞密封質量,降低性能.)
鹵化合物
請勿在鹵素氣體環境下使用無源晶振.即使少量的鹵素氣體,比如在空氣中的氯氣內或封裝所用金屬部件內,都可能產生腐蝕.同時,請勿使用任何會釋放出鹵素氣體的樹脂.
靜電
過高的靜電可能會損壞石英晶體諧振器,請注意抗靜電條件.請為容器和封裝材料選擇導電材料.在處理的時候,請使用電焊槍和無高電壓泄漏的測量電路,并進行接地操作.
清洗
關于一般清洗液的使用以及超聲波清洗沒有問題,但這僅僅是對單個石英晶體產品進行試驗所得的結果,因此請根據實際使用狀態進行確認.
由于音叉型晶體諧振器的頻率范圍和超聲波清洗機的清洗頻率很近,容易受到共振破壞,因此請盡可能避免超聲波清洗.
若要進行超聲波清洗,必須事先根據實際使用狀態進行確認.
撞擊
雖然石英晶體2520晶振產品在設計階段已經考慮到其耐撞擊性,但如果掉到地板上或者受到過度的撞擊,以防萬一還是要檢查特性后再使用.
抗沖擊
貼片晶振可能會在某些條件下受到損壞.例如從桌上跌落或在貼裝過程中受到沖擊.如果產品已受過沖擊請勿使用.
輻射
暴露于輻射環境會導致石英晶體性能受到損害,因此應避免照射.
化學制劑/pH值環境
請勿在PH值范圍可能導致腐蝕或溶解進口石英晶振或包裝材料的環境下使用或儲藏這些產品.

小型貼片石英晶振,外觀尺寸具有薄型表面貼片型石英晶體振蕩器,特別適用于有小型化要求的市場領域,比如智能手機,無線藍牙,平板電腦等電子數碼產品.晶振本身超小型,薄型,重量輕,晶體具有優良的耐環境特性,如耐熱性,耐沖擊性,在辦公自動化,家電相關電器領域及Bluetooth,WirelessLAN等短距離無線通信領域可發揮優良的電氣特性,滿足無鉛焊接的回流溫度曲線要求.

2520mm體積的SPXO晶振,可以說是目前小型數碼產品的福音,目前超小型的智能手機里面所應用的就是小型的石英晶振,該產品最適用于無線通訊系統,無線局域網,已實現低相位噪聲,低電壓,低消費電流和高穩定度,超小型,質量輕等產品特點,產品本身編帶包裝方式,可對應自動高速貼片機應用,以及高溫回流焊接(產品無鉛對應),為無鉛產品.

電話:+86-0755-278383514
手機:138-2330-0879
QQ:632862232
地址:廣東深圳市寶安寶安大道東95號浙商銀行大廈1905