86-0755-27838351

頻率:1.2-40MHZ
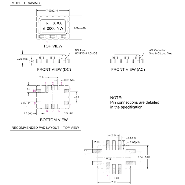
尺寸:7.0*5.0mm
瑞康晶振,溫補晶振,CFPT9000晶振,7050mm體積貼片晶振適用于汽車電子領域的表面貼片型石英晶振,本產品已被確定的高信賴性最適合用于汽車電子部件,晶體在極端嚴酷的環境條件下也能發揮穩定的起振特性,晶振本身具有耐熱,耐振,耐沖擊等優良的耐環境特性,滿足無鉛焊接的高溫回流溫度曲線要求,符合AEC-Q200標準.
石英晶振高精度晶片的拋光技術:貼片晶振是目前晶片研磨技術中表面處理技術的最高技術,最終使晶振晶片表面更光潔,平行度及平面度更好,降低諧振電阻,提高Q值。從而達到一般研磨所達不到的產品性能,使石英2016晶振的等效電阻等更接近理論值,使晶振可在更低功耗下工作。使用先進的牛頓環及單色光的方法去檢測晶片表面的狀態。
|
晶振規格 |
單位 |
晶振頻率范圍 |
基本條件 |
|
標準頻率 |
f_nom |
1.2-40MHZ |
標準頻率 |
|
儲存溫度 |
T_stg |
-55~ +125°C |
裸存 |
|
工作溫度 |
T_use |
-40°C ~ +85°C |
標準溫度 |
|
激勵功率 |
DL |
200μW Max. |
推薦:1μW ~ 100μW |
|
頻率公差 |
f_— l |
±20× 10-6 (標準), |
+25°C 對于超出標準的規格說明,請聯系我們以便獲取相關的信息, http://m.bainawang.com.cn/ |
|
頻率溫度特征 |
f_tem |
±30 × 10-6/-20°C ~ +70°C |
超出標準的規格請聯系我們. |
|
負載電容 |
CL |
5PF |
不同負載電容要求,請聯系我們. |
|
串聯電阻(ESR) |
R1 |
如下表所示 |
-40°C — +85°C, DL = 100μW |
|
頻率老化 |
f_age |
±5 × 10-6 / year Max. |
+25°C,第一年 |
1.DIP 晶振產品
已變形的石英晶振引腳不能插入板孔中。請勿施加過大壓力,以免引腳變形。
2.SOJ 產品和SOP 產品
請勿施加過大壓力,以免石英晶振引腳變形。已變形的石英晶振引腳焊接時會造成浮起。尤其是SOP產品需要更加小心處理。
3.超聲波清洗
(1)使用AT-切割晶體和表面濾波器(SAW)/聲表面諧振器的產品,可以通過超聲波進行清洗。但是,在某些條件下, 晶振特性可能會受到影響,而且TCXO晶振內部線路可能受到損壞。確保已事先檢查系統的適用性。
(2)使用音叉晶體和陀螺儀傳感器的產品無法確保能夠通過超聲波方法進行清洗,因為晶振可能受到破壞。
(3)請勿清洗開啟式晶振產品
(4)對于可清洗晶振產品,應避免壓控溫補晶體振蕩器使用可能對產品產生負面影響的清洗劑或溶劑等。
(5)焊料助焊劑的殘留會吸收水分并凝固。這會引起諸如位移等其它現象。這將會負面影響產品的可靠性和質量。請清理殘余的助焊劑并烘干PCB。
瑞康晶振,石英晶振,CFPT9000晶振

電話:+86-0755-278383514
手機:138-2330-0879
QQ:632862232
地址:廣東深圳市寶安寶安大道東95號浙商銀行大廈1905