Renesas瑞薩差分晶振-XTL312016.000000I-6G無線網絡晶振,尺寸3.2x2.5mm,頻率16MHZ,電壓1.8V,輸出邏輯HCSL,HCSL輸出晶振,HCSL差分貼片晶振,HCSL差分晶體振蕩器,有源差分晶振,石英差分晶振,OSC差分晶振,低抖動差分晶振,低功耗差分晶振,低相位差分晶振,低損耗差分晶振,高質量差分晶振,高性能差分晶振,以太網專用差分晶振,路由器差分晶振,光網絡差分晶振,基站差分晶振,無線應用差分晶振,平板電腦差分晶振,3225mm差分晶振,低電壓差分晶振。
XT設備是基于超低相位噪聲石英的PLL支持大范圍頻率和輸出的有源晶體振蕩器接口類型。XT設備可以編程以產生輸出頻率從15MHz到2100MHz,分辨率低至1Hz精度。該系列設備的可配置性提供樣品和大批量生產訂單的快速交付時間。零件可以在工廠編程為固定頻率或者可以使用I2C接口進行現場配置。Renesas瑞薩差分晶振-XTL312016.000000I-6G無線網絡晶振.
Renesas瑞薩差分晶振-XTL312016.000000I-6G無線網絡晶振參數表
| Symbol | Parameter | Output Type | Conditions | Minimum | Typical | Maximum | Units | ||||||||
| IDD | Current Consumption | LVDS | 15MHz to 400MHz. | — | 59 | 67 | mA | ||||||||
| 400MHz to 2.1GHz. | — | — | 85 | ||||||||||||
| LVPECL | 15MHz to 212.5MHz. | — | 84 | 94 | |||||||||||
| 212.5MHz to 400MHz. | — | — | 110 | ||||||||||||
| 212.5MHz to 2.1GHz. | — | — | 110 | ||||||||||||
| HCSL | 15MHz to 400MHz. | — | — | 95 | |||||||||||
| 400MHz to 725MHz. | — | 74 | 83 | ||||||||||||
| CML | 15MHz to 2.1GHz. | — | 54 | 61 | |||||||||||
| Symbol | Parameter | Output Type | Conditions | Minimum | Typical | Maximum | Units | ||||||||
| IDD | Current Consumption | LVDS | 15MHz to 400MHz. | — | 59 | 66 | mA | ||||||||
| 400MHz to 2.1GHz. | — | — | 85 | ||||||||||||
| LVPECL | 15MHz to 156.25MHz. | — | 84 | 94 | |||||||||||
| 156.25MHz to 400MHz. | — | — | 110 | ||||||||||||
| 400MHz to 2.1GHz. | — | — | 110 | ||||||||||||
| HCSL | 15MHz to 400MHz. | — | — | 95 | |||||||||||
| 400MHz to 725MHz. | — | 74 | 82 | ||||||||||||
| CML | 15MHz to 2.1GHz. | — | 54 | 61 | |||||||||||
| Symbol | Parameter | Output Type | Conditions | Minimum | Typical | Maximum | Units | ||||||||
| IDD |
Current Consumption
|
LVDS | 15MHz to 400MHz. | 59 | 66 | mA | |||||||||
| 400MHz to 2.1GHz. | — | — | 85 | ||||||||||||
| LVPECL | 15MHz to 250MHz. | 84 | 93 | ||||||||||||
| 250MHz to 2.1GHz. | — | — | 110 | ||||||||||||
| HCSL | 15MHz to 400MHz. | 95 | |||||||||||||
| 400MHz to 725MHz. | — | 74 | 81 | ||||||||||||
| CML | 15MHz to 2.1GHz. | 54 | 61 | ||||||||||||
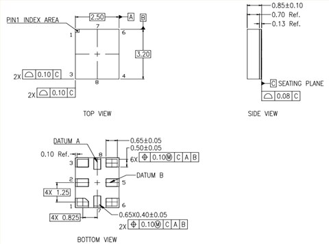
Renesas瑞薩差分晶振-XTL312016.000000I-6G無線網絡晶振 尺寸圖
OSC晶振產品特性:
輸出類型:LVDS、LVPECL、CML
頻率范圍:15MHz至2100MHz
輸出類型:HCSL
頻率范圍:15MHz至725MHz
電源電壓選項:1.8V、2.5V、3.3V
相位抖動(12kHz至20MHz):135 fs(典型值)
程序包選項:
3.2×2.5×0.85毫米
工作溫度和穩定性:
-40°C至+85°C,±3ppm
壽命頻率穩定性:
-40°C至+85°C,±13ppm
更多相關Renesas晶振型號
Mfr Part #
Mfr
Description
Series
Frequency
Output
Voltage - Supply
Frequency Stability
XUH536156.250JS4I
Renesas晶振
XTAL OSC XO 156.2500MHZ HCMOS
XUH
156.25 MHz
HCMOS
3.3V
±25ppm
XUP736150.000JU6I
Renesas晶振
XTAL OSC XO 150.0000MHZ LVPECL
XUP
150 MHz
LVPECL
3.3V
±25ppm
XUP736125.000JU6I
Renesas晶振
XTAL OSC XO 125.0000MHZ LVPECL
XUP
125 MHz
LVPECL
3.3V
±25ppm
XTP332156.250000I
Renesas晶振
156.250000 MHZ 3.3VDC LVPECL 322
XT
156.25 MHz
LVPECL
3.3V
±3ppm
XTL312625.000000I
Renesas晶振
625.000000 MHZ 1.8VDC LVDS 3225
XT
625 MHz
LVDS
1.8V
±3ppm
XTN312100.000000I
Renesas晶振
100.000000 MHZ 1.8VDC HCSL 3225
XT
100 MHz
HCSL
1.8V
±3ppm
XUH736156.250JU4I
Renesas晶振
XTAL OSC XO 156.2500MHZ HCMOS
XUH
156.25 MHz
HCMOS
3.3V
±25ppm
XUP536212.500JS6I
Renesas晶振
XTAL OSC XO 212.5000MHZ LVPECL
XUP
212.5 MHz
LVPECL
3.3V
±25ppm
XUP536156.250JS6I
Renesas晶振
XTAL OSC XO 156.2500MHZ LVPECL
XUP
156.25 MHz
LVPECL
3.3V
±25ppm
XUH715075.000000X
Renesas晶振
MULTIMKT-TIMING
XUH
75 MHz
HCMOS
1.8V
±50ppm
XUN530027.000000I
Renesas晶振
MULTIMKT-TIMING
XUN
27 MHz
HCSL
3.3V
±100ppm
XUM526148.500000I
Renesas晶振
XTAL OSC XO 148.5000MHZ LVDS SMD
XUM
148.5 MHz
LVDS
2.5V
±25ppm
XTL322080.000000I
Renesas晶振
XTAL OSC XO 80.0000MHZ LVDS SMD
XT
80 MHz
LVDS
2.5V
±3ppm
XTP322100.000000I
Renesas晶振
XTAL OSC XO 100.0000MHZ LVPECL
XT
100 MHz
LVPECL
2.5V
±3ppm
XTP332100.000000I
Renesas晶振
XTAL OSC XO 100.0000MHZ LVPECL
XT
100 MHz
LVPECL
3.3V
±3ppm
XTL312100.000000I
Renesas晶振
XTAL OSC XO 100.0000MHZ LVDS SMD
XT
100 MHz
LVDS
1.8V
±3ppm
XTP332K48.479000I
Renesas晶振
XTAL OSC XO 2.048479 GHZ LVPECL
XT
2.048479 GHz
LVPECL
3.3V
±3ppm
XTP332087.000000I
Renesas晶振
XTAL OSC XO 87.0000MHZ LVPECL
XT
87 MHz
LVPECL
3.3V
±3ppm
XTC312272.800000I
Renesas晶振
XTAL OSC XO 272.8000MHZ CML SMD
XT
272.8 MHz
CML
1.8V
±3ppm
XTC332272.800000I
renesas瑞薩晶振
XTAL OSC XO 272.8000MHZ CML SMD
XT
272.8 MHz
CML
3.3V
±3ppm
XTN322100.000000I
Renesas晶振
XTAL OSC XO 100.0000MHZ HCSL SMD
XT
100 MHz
HCSL
2.5V
±3ppm
XTP332025.000000I
Renesas晶振
XTAL OSC XO 25.0000MHZ LVPECL
XT
25 MHz
LVPECL
3.3V
±3ppm
XTL322100.000000I
Renesas晶振
XTAL OSC XO 100.0000MHZ LVDS SMD
XT
100 MHz
LVDS
2.5V
±3ppm
XTL332125.000000I
Renesas晶振
XTAL OSC XO 125.0000MHZ LVDS SMD
XT
125 MHz
LVDS
3.3V
±3ppm
XTN312032.000000I
Renesas晶振
XTAL OSC XO 32.0000MHZ HCSL SMD
XT
32 MHz
HCSL
1.8V
±3ppm
XTP322025.000000I
Renesas晶振
XTAL OSC XO 25.0000MHZ LVPECL
XT
25 MHz
LVPECL
2.5V
±3ppm
XTL312156.250000I
Renesas晶振
XTAL OSC XO 156.2500MHZ LVDS SMD
XT
156.25 MHz
LVDS
1.8V
±3ppm
XTP332204.800000I
Renesas晶振
XTAL OSC XO 204.8000MHZ LVPECL
XT
204.8 MHz
LVPECL
3.3V
±3ppm
XTL322200.000000I
Renesas晶振
XTAL OSC XO 200.0000MHZ LVDS SMD
XT
200 MHz
LVDS
2.5V
±3ppm
XTL312125.000000I
Renesas晶振
XTAL OSC XO 125.0000MHZ LVDS SMD
XT
125 MHz
LVDS
1.8V
±3ppm
XTP332039.145000I
Renesas晶振
XTAL OSC XO 39.1450MHZ LVPECL
XT
39.145 MHz
LVPECL
3.3V
±3ppm
XTP332045.000000I
Renesas晶振
XTAL OSC XO 45.0000MHZ LVPECL
XT
45 MHz
LVPECL
3.3V
±3ppm
XTL332148.351648I
Renesas晶振
XTAL OSC XO 148.351648MHZ LVDS
XT
148.351648 MHz
LVDS
3.3V
±3ppm
XTL312L00.000000I
Renesas晶振
XTAL OSC XO 2.1000GHZ LVDS SMD
XT
2.1 GHz
LVDS
1.8V
±3ppm
XTL312A00.000000I
Renesas晶振
XTAL OSC XO 1.0000GHZ LVDS SMD
XT
1 GHz
LVDS
1.8V
±3ppm
XTC332100.000000I
Renesas晶振
XTAL OSC XO 100.0000MHZ CML SMD
XT
100 MHz
CML
3.3V
±3ppm
XTL312016.000000I
Renesas晶振
XTAL OSC XO 16.0000MHZ LVDS SMD
XT
16 MHz
LVDS
1.8V
±3ppm
XTP332L00.000000I
Renesas晶振
XTAL OSC XO 2.1000GHZ LVPECL SMD
XT
2.1 GHz
LVPECL
3.3V
±3ppm
XTP332040.000000I
Renesas晶振
XTAL OSC XO 40.0000MHZ LVPECL
XT
40 MHz
LVPECL
3.3V
±3ppm
XTP322K99.999999I
Renesas晶振
XTAL OSC 2.099999999 GHZ LVPECL
XT
2.099999999 GHz
LVPECL
2.5V
±3ppm
XTN332100.000000I
Renesas晶振
XTAL OSC XO 100.0000MHZ HCSL SMD
XT
100 MHz
HCSL
3.3V
±3ppm
XTL312779.215495I
Renesas晶振
XTAL OSC XO 779.215495MHZ LVDS
XT
779.215495 MHz
LVDS
1.8V
±3ppm
XTL312779.215000I
Renesas晶振
XTAL OSC XO 779.2150MHZ LVDS SMD
XT
779.215 MHz
LVDS
1.8V
±3ppm
XTC312818.991000I
Renesas晶振
LGA 2.50X3.20X0.85 MM, 1.25 MM P
XT
818.991 MHz
CML
1.8V
±3ppm
XTC312779.215000I
Renesas晶振
LGA 2.50X3.20X0.85 MM, 1.25 MM P
XT
779.215 MHz
CML
1.8V
±3ppm
XTC312822.128000I
Renesas晶振
LGA 2.50X3.20X0.85 MM, 1.25 MM P
XT
822.128 MHz
CML
1.8V
±3ppm
XTC312G81.518000I
Renesas晶振
LGA 2.50X3.20X0.85 MM, 1.25 MM P
XT
1.681518 GHz
CML
1.8V
±3ppm
XTC312840.759000I
Renesas晶振
LGA 2.50X3.20X0.85 MM, 1.25 MM P
XT
840.759 MHz
CML
1.8V
±3ppm
XTC312G37.982000I
Renesas晶振
LGA 2.50X3.20X0.85 MM, 1.25 MM P
XT
1.637982 GHz
CML
1.8V
±3ppm
XTC312F88.430000I
Renesas晶振
LGA 2.50X3.20X0.85 MM, 1.25 MM P
XT
1.58843 GHz
CML
1.8V
±3ppm
XTC312G44.256000I
Renesas晶振
LGA 2.50X3.20X0.85 MM, 1.25 MM P
XT
1.644256 GHz
CML
1.8V
±3ppm
XUP536100.000JS6I
Renesas晶振
XTAL OSC XO 100.0000MHZ LVPECL
XUP
100 MHz
LVPECL
3.3V
±25ppm
XUP536125.000JS6I
Renesas晶振
XTAL OSC XO 125.0000MHZ LVPECL
XUP
125 MHz
LVPECL
3.3V
±25ppm
XUP535100.000JS6I
Renesas晶振
XTAL OSC XO 100.0000MHZ LVPECL
XUP
100 MHz
LVPECL
3.3V
±50ppm
XUP535125.000JS6I
Renesas晶振
XTAL OSC XO 125.0000MHZ LVPECL
XUP
125 MHz
LVPECL
3.3V
±50ppm
XUP535150.000JS6I
Renesas晶振
XTAL OSC XO 150.0000MHZ LVPECL
XUP
150 MHz
LVPECL
3.3V
±50ppm
XUP535156.250JS6I
Renesas晶振
XTAL OSC XO 156.2500MHZ LVPECL
XUP
156.25 MHz
LVPECL
3.3V
±50ppm
XUP535212.500JS6I
Renesas晶振
XTAL OSC XO 212.5000MHZ LVPECL
XUP
212.5 MHz
LVPECL
3.3V
±50ppm
XUN535100.000JS6I
Renesas晶振
XTAL OSC XO 100.0000MHZ HCSL SMD
XUN
100 MHz
HCSL
3.3V
±50ppm
XUN535100.000JS6I8
Renesas晶振
XTAL OSC XO 100.0000MHZ HCSL SMD
XUN
100 MHz
HCSL
3.3V
±50ppm
XUP535100.000JS6I8
Renesas晶振
XTAL OSC XO 100.0000MHZ LVPECL
XUP
100 MHz
LVPECL
3.3V
±50ppm
XUP535125.000JS6I8
Renesas晶振
XTAL OSC XO 125.0000MHZ LVPECL
XUP
125 MHz
LVPECL
3.3V
±50ppm
XUP535150.000JS6I8
Renesas晶振
XTAL OSC XO 150.0000MHZ LVPECL
XUP
150 MHz
LVPECL
3.3V
±50ppm
XUP535156.250JS6I8
Renesas晶振
XTAL OSC XO 156.2500MHZ LVPECL
XUP
156.25 MHz
LVPECL
3.3V
±50ppm
XUP535212.500JS6I8
Renesas晶振
XTAL OSC XO 212.5000MHZ LVPECL
XUP
212.5 MHz
LVPECL
3.3V
±50ppm
XUP736100.000JU6I
Renesas晶振
XTAL OSC XO 100.0000MHZ LVPECL
XUP
100 MHz
LVPECL
3.3V
±25ppm
XUP736156.250JU6I
Renesas晶振
XTAL OSC XO 156.2500MHZ LVPECL
XUP
156.25 MHz
LVPECL
3.3V
±25ppm
XUP736212.500JU6I
Renesas晶振
XTAL OSC XO 212.5000MHZ LVPECL
XUP
212.5 MHz
LVPECL
3.3V
±25ppm
XUN536100.000JS6I
Renesas晶振
XTAL OSC XO 100.0000MHZ HCSL SMD
XUN
100 MHz
HCSL
3.3V
±25ppm
XUN536133.333JS6I
Renesas晶振
XTAL OSC XO 133.3330MHZ HCSL SMD
XUN
133.333 MHz
HCSL
3.3V
±25ppm
XUP536150.000JS6I
Renesas晶振
XTAL OSC XO 150.0000MHZ LVPECL
XUP
150 MHz
LVPECL
3.3V
±25ppm





愛普生LVDS晶振,SG2016VGN振蕩器,X1G0061110002,6G路由器晶振
NDK汽車專用晶振,6G網絡晶振,NP3225SC-100MHZ-NSC5346B
Si549低功耗晶振/549BACB000148ACG/6G發射器晶振/Skyworks有源貼片晶振
Renesas瑞薩晶振,XUP535125.000JS6I8,XU差分振蕩器,6G發射器晶振
XUL735200.000000I,Renesas Electronics,瑞薩差分晶振
Skyworks衛星導航晶振\Si591低耗能差分晶振\591AB360M000DG
SX3HK,SX3HK25K50E-52MHz,HCSL,荷蘭FCD-Tech差分晶振,3225mm